欢迎来到
昆山市惠盛实业有限公司
官方网站!
网站首页
公司简介
公司动态
公司动态
行业动态
公司设备
经营信息公示
2020年度经营
2021年危废经
2022年度经营
2023年度经营
2018年经营信
2024年经营信
2025年危险经
2019年度经营
公司产品
回收处置原材
生产产品
经营范围
资质证书
专利证书/体
检测信息公示
废气、废水、
土壤、地下水
混凝土道路砖
排污信息、应
栏目分类/Column
废气、废水、…
2018年废气、…
2017年废气、…
2019年三废检…
2020年三废检…
2021年三废检…
2022年三废检…
2023年三废检…
2024年废气、…
土壤、地下水…
2020年土壤、…
2021年土壤、…
2022年土壤、…
2023年土壤、…
2024年土壤、…
混凝土道路砖…
2020年产品混…
2021年产品水…
2022年水泥砖…
2023年水泥砖…
2024年混凝土…
排污信息、应…
重点排污单位…
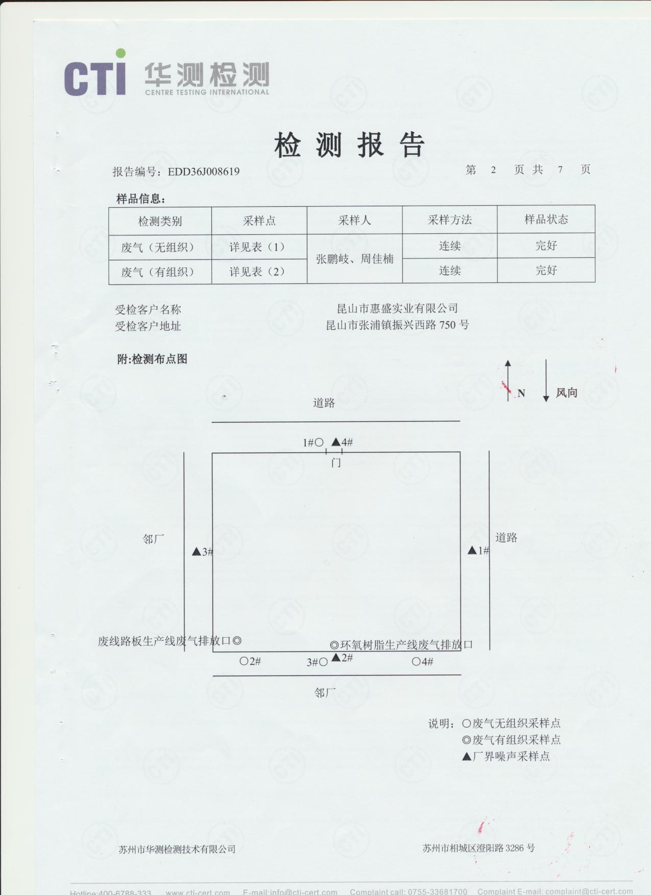
2017年废气、噪声检测报告
当前位置:
首页
/
检测信息公示
/
废气、废水、噪声检测信息公示
/
2017年废气、噪声检测报告
2017年废气、噪声检测报告
人气:
120
评论:0 日期:2019/8/9 12:55:10 标签:
全部
没有啦
没有啦
评论
管理员
刚刚
暂无任何留言!
13962425814
00000